用户登录:用户名  密码  会员服务
  首页 | 最新采购 | 现货热卖 | IC库存 | 非IC库存 | 应用资料&程序库 | 交流区 | 供应商 | 生产商 | 技术资料
应用资料:  
您现在的位置:首页 >  技术资料   上载库存  

LM358用于PWM的一个故障

   设计一个仪表,需要输出隔离4-20mA电流,因此用单片机产生PWM,然后经过光藕来实现隔离目的。隔离后的PWM经过RC低通滤波可以滤出直流分量。
在PWM和RC低通之间有一个跟随器,用于提供RC滤波所需要的较低的输出阻抗。

问题就出在这个跟随器上。

电路如图,极其简单,358运放做一个跟随器,输入是占空比20%~80%的PWM方波,频率260Hz,幅度0/2.5V
358电源电压24V(358可以单电源工作)  



然而问题出现的也是极其古怪:

当占空比<50%的时候,跟随器工作正常,输入输出波形完全吻合(左图)
当占空比>50%的时候,波形变成下面的奇怪的样子  (右图)


图2


在输入为0的时候,输出并不能跟随输入也为0,而是大约0.6~0.7V的一个恒定电压,而且,如果占空比继续增大,这个电业也会随之增大
但占空比<50%的时候,这个电压突然消失,输出又能很好的跟随输入了(如图2左图)

百思不得其解。
358的特点是可以单电源工作,我经常用358做跟随器,一直都没有出现过任何问题,10K的频率也能跟上,况且这个电路是低频小信号,输出负载22K,只有微安级。
检查电路,换片子,故障依旧。

郁闷了一下午,直到后来仔细分析了358的内部电路,才茅塞顿开……

这个跟随器和以前用358做的跟随器最大的区别点在于:因为电容的电压不能突变,在PWM输出0的时候,运放的输出端要“倒灌”进电流。

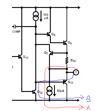
这是358运放内部的输出级电路;
在双电源供电情况下,推挽级的Q13用于负半周电压的输出以及灌电流的吸收。
在单电源条件下,这个管子的CE将无法导通。这并不影响正常的电压输出。但如果存在电流倒灌,情况就另当别论了:
当灌电流较小,途中的50uA恒流源可以将其吸收,如图中红色A线
当灌电流较大,大于50微安,恒流源无法完全吸收,剩余的电流经过Q13
的e->b,再经过Q12泄放,(图中蓝色B线)这样输出脚电压相当于1个PN结压降加上CE饱和电压。因为电流较小,所以大约0。6V左右。

再看RC滤波器,
当占空比<50%的时候,C上的电压小于1。2V,经过22K的电阻,到灌电流小于50uA。因此横流源可以完全吸收,输出约等于0
当占空比>50%的时候,C上的电压大于1。2V,经过22K的电阻,倒灌电流大于50uA。恒流源无法完全吸收,输出约等于压降0.6V


所以,很容易得到解决办法是358输出端对地接一个360欧姆电阻,一切都正常了




关于我们 | 会员服务 | 广告服务 | 支付方式 | 联系我们 | 友情链接

会员服务热线:

深圳矽通科技版权所有 © Copyright 2005-2007, ic-cn.com.cn All Right Reserved.  粤ICP备07006430号
深  圳13410210660             QQ : 317143513   点击这里与电子元件采购网联系
客服联系: MSN:CaiZH01@hotmail.com       E-mail:info@ic-cn.com.cn